logo
russian english german
 

Система управления дозатором универсальная СДУ

Система управления дозатором универсальная СДУ предназначена для обеспечения дозировки сыпучих материалов непрерывным потоком или дозой с заданными метрологическими характеристиками, в составе ленточного непрерывного или бункерного дозатора.

Особенности работы

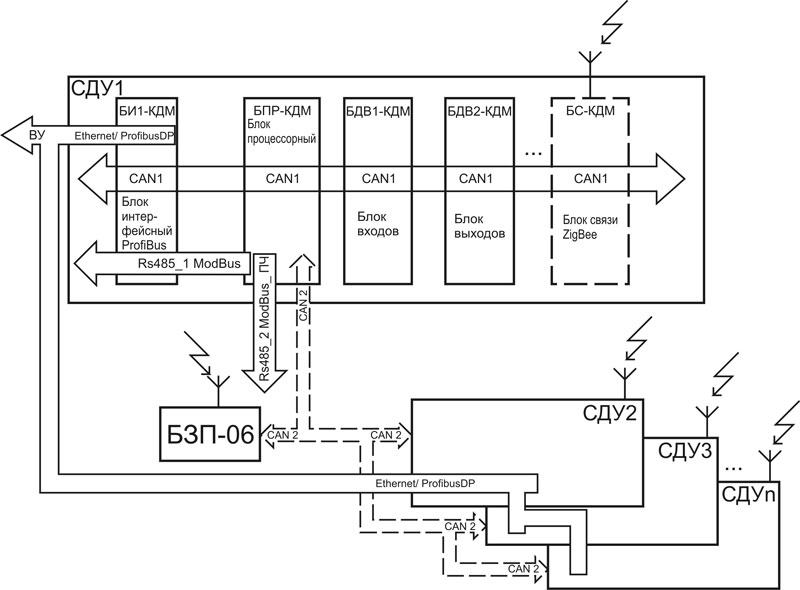
  • блочный принцип построения СДУ позволяет решать самые разные задачи путем набора блоков с нужными функциями и дает возможность оперативного восстановления работоспособности СДУ через замену неисправного блока
  • бортовое исполнение СДУ дозатора или весов уменьшает затраты на монтаж кабельного хозяйства, увеличивает точность взвешивания и дозирования
  • шинное соединение между блоками дает возможность использовать блоки, не входящие в состав СДУ, для расширения функциональных возможностей
  • большой набор интерфейсов связи с верхним уровнем позволяет встраивать СДУ в уже существующую на предприятии систему автоматизации
  • возможность установки дополнительных дискретных блоков ввода вывода и прямого управления с ВУ дополнительным оборудованием
  • наличие беспроводного интерфейса позволяет автоматически объединить СДУ в локальную сеть без прокладки соединительных кабелей
  • возможность управления частотным приводом  токовым сигналом 4-20 мА или через цифровой интерфейс RS-485
  • диапазон рабочих температур от минус 40 до + 50 °C в пределах заявленных погрешностей
  • полная программная совместимость с существующими системами управления, выполненных на основе системы управления СД-01, дает возможность замены контроллеров, отработавших свой ресурс, не только с минимальным переоборудованием шкафов, но и затратами на программное обеспечение

 

Основные характеристики

 Пределы допустимой погрешности при измерении массы материала в составе весов или дозатора бункерного, %

до ±0,05 

 Пределы допустимой погрешности от наибольшего предела производительности при условии непрерывной работы в течение не менее 6 мин в составе дозатора, %

до ±0,25

 Допустимый диапазон напряжения питания постоянного тока, В

от 18 до 36

 Потребляемая мощность в зависимости от модификации, Вт

от 6 до 30

 Рабочий диапазон температуры окружающего воздуха, °C

от -40 до +50

 Пылевлагозащищенность по ГОСТ 14254:

- бортовой вариант

IP65

- шкафной вариант

IP54

 

Режимы работы

  • "Автомат" - основной режим для автоматизированного дозирования или взвешивания материала, регистрации и передачи данных на верхний уровень
  • "Ручной" - отключение функции управления дозированием или взвешиванием, необходим для ручного управления движением ленты при обслуживании
  • "Наладка" - настройка каналов измерения и управления, вычисление основных параметров дозатора или весов (например, максимальная скорость ленты, настройка системы измерения веса и так далее)

 

Аппаратные возможности

Параметр

Допустимые значения

Мин.

Норм.

Макс.

 Характеристики канала измерения массы:

Разрешение АЦП, бит

-

-

24

Диапазон рабочего коэффициента передачи, мВ/В

-2,5

-

+2,5

Активная нагрузка к цепи возбуждения, кОм

0,1

-

200

Активная нагрузка к цепи измерения, кОм

0,1

-

200

Количество параллельно подключенных тензодатчиков на один канал, шт.

1

-

4

 Характеристики измерения канала количества и частоты импульсов:

Уровень входного напряжения для смены логического состояния, В

8

-

36

Диапазон частот измеряемого канала, Гц

0,1

-

3000

Ток потребления, мА

-

-

10

 Характеристики дискретных входов

Уровень входного напряжения для смены логического состояния, В

8

-

36

Ток потребления, мА

6

-

15

 Характеристики дискретных выходов типа "источник с заземленной нагрузкой"

Выходной ток нагрузки, мА

-

-

250

 Характеристики дискретных выходов типа "сухой контакт"

Мощность электрического сигнала через контакты, Вт

-

-

30

Максимально допустимое коммутируемое напряжение, В

-

-

50

 Характеристиками канала выходного аналогового сигнала

Диапазон аналогового сигнала, мА

4

-

20

Диапазон активного сопротивления нагрузки, Ом

100

-

500

 Характеристики канала обмена данными интерфейса CAN:

Скорость обмена данными, кбит/с;

-

-

600

 Характеристики канала обмена данными интерфейса RS-485:

Количество управляемых ПЧ в сегменте, шт.

1

-

32

Максимальная скорость обмена данными, бод

4800

-

115200

 Характеристиками канала обмена данными ProfiBus DP:

Скорость обмена данными при длине сегмента , кбит/с

187,5

-

12000

Количество абонентов в сегменте, шт.

1

-

32

 Характеристиками беспроводного канала обмена данными ZigBee:

Расстояние передачи данных внутри помещения, м

-

-

100

Расстояние передачи данных на открытой местности, м

-

-

1500

Рабочая частота, МГц

-

2,4

-

 Устойчивость к внешнему воздействию

Помехоустойчивость к импульсам по питанию микро и наносекундного диапазонов, В

-

-

1000

 

Конструктивное исполнение

Бортовое исполнение СДУ выполняется в виде корпуса с кабельными вводами и переключателями режимов работы, с размещенным в нем контроллером дозирования модульным (КДМ).
Бортовой СДУ находится непосредственно на конструкции дозатора или весов.
В шкафу СДУ размещается на Din-рейке рядом с дозатором (весами) или на расстоянии.

 

Состав системы СДУ

Структурные схемы СДУ 

 
Руководство по эксплуатации  [pdf 5.13 Мб]
Наш сайт использует файлы cookies для обеспечения работоспособности и улучшения качества обслуживания. Продолжая просмотр страниц сайта, вы автоматически соглашаетесь с использованием данных технологий.