logo
russian english german
 

Примеры структурных схем СДУ

 

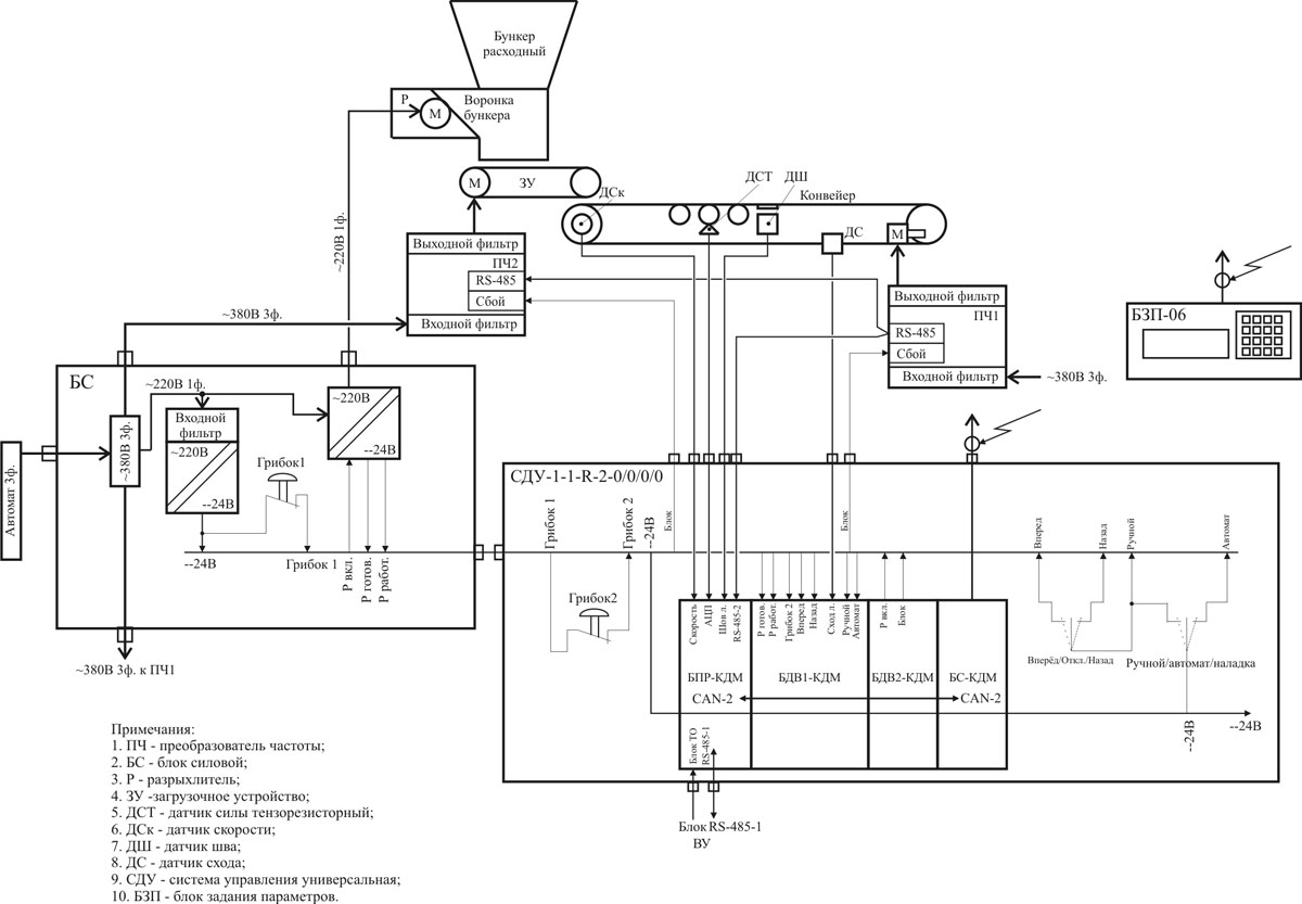
Структурная схема СДУ-1-1-R-2-0/0

 
 

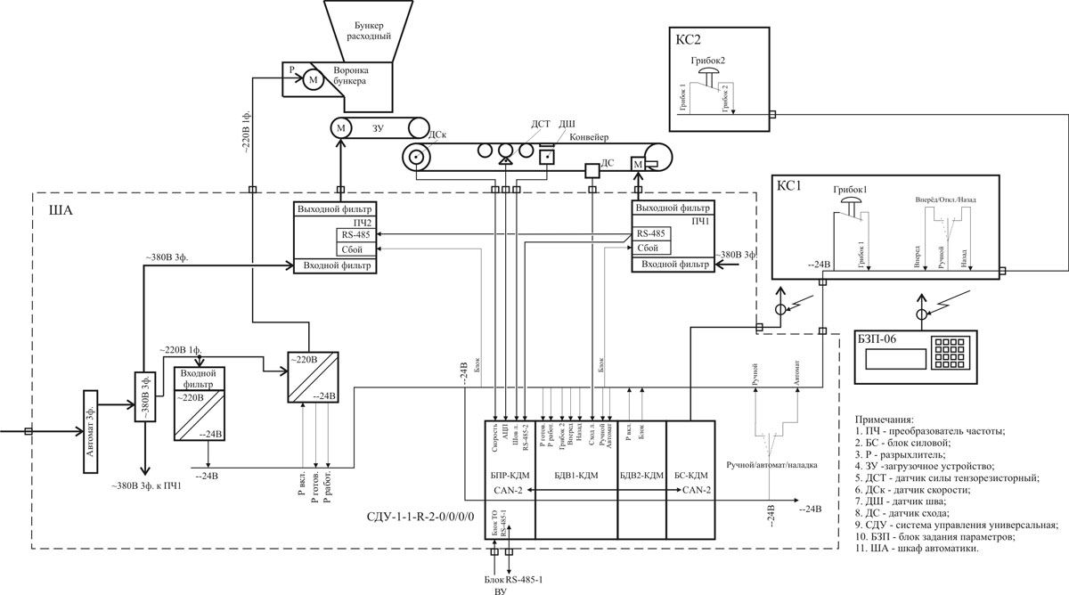
Cтруктурная схема СДУ-2-1-R-2-0/0

 
 
 

Структурная схема интерфейсных подключений СДУ

Наш сайт использует файлы cookies для обеспечения работоспособности и улучшения качества обслуживания. Продолжая просмотр страниц сайта, вы автоматически соглашаетесь с использованием данных технологий.