Система управления СД-01 в составе дозатора ленточного непрерывного предназначена для обеспечения объемнометрической и гравиметрической дозировки сыпучих материалов непрерывным потоком или дозой с заданными метрологическими характеристиками.
Особенности работы
- учет материала на линии сброса с конвейера дозатора
- учет неравномерности распределения линейной плотности ленты
- коррекция взвешивания материала при изменении длины ленты
- ручная и автоматическая коррекция отгрузки по влажности и процентному содержанию материала
- отгрузка материала как непрерывным потоком, так и заданной дозой
- вариант исполнения (под заказ): шкафной, щитовой, бортовой
Основные характеристики системы управления СД-01
|
Пределы допустимой погрешности при измерении массы материала от наибольшего предела взвешивания, %
|
±0,1
|
|
Пределы допустимой погрешности дозаторов от наибольшего предела производительности при условии непрерывной работы в течение не менее 6 мин, %
|
±0,5
|
|
Напряжение однофазного питания переменного тока частотой 50±0,5 Гц, В
|
от 187 до 242
|
|
Пределы производительности, т/ч
|
от 1,6 до 999999
|
|
Потребляемая мощность, Вт, не более
|
50
|
|
Рабочий диапазон температуры окружающего воздуха, ºС
|
|
- шкафной и щитовой варианты
|
от +10 до +35
|
|
- боровой вариант
|
от -25 до +50
|
|
Пылевлагозащищенность
|
|
- шкафа (под заказ)
|
IP54 (IP65)
|
|
- блоков бортового варианта
|
IP65
|
СД-01 поддерживает следующие режимы дозирования:
- объемнометрический - непрерывное дозирование, исходя из значения заданной номинальной скорости движения ленты конвейера
- гравиметрический - непрерывное дозирование, исходя из значения заданной номинальной производительности дозатора
- навеска - отгрузка заданной порции материала в объемнометрическом либо гравиметрическом режимах, на выбор пользователя
Функциональные возможности СД-01
При управлении верхним уровнем (режим работы "автоматический") автоматизированной системы управления (АСУ ТП) подачи материала система управления СД-01 обеспечивает:
- прием команд на запуск и отмену отгрузки, переключение режимов работы дозатора (объемнометрическго, гравиметрического режимов и режима навески), перезапуск системы
- прием и установку значений дозы материала, заданной и общей производительности, скорости движения ленты дозатора
СД-01 формирует текущие данные на верхний уровень о состоянии привода конвейера, питателя и бункерного разрыхлителя (готовность и состояние работы), текущих значений производительности, линейной плотности и скорости движения ленты, сведений о текущей длине ленты, отчеты архивных данных об отгрузках за предыдущие и текущие часы, смены, сутки (глубина вложения до 20 суток).
Обмен данными с верхним уровнем СД-01 обеспечивает стандартным протоколом Modbus RTU.
При работе в режиме "ручной" СД-01 обеспечивает с пульта управления:
- операции по заданию команд, установке и отображению параметров отгрузки, что и при режиме работы "автоматический"
- настройку параметров взвешивания, длины ленты, максимальной скорости ленты, неравномерности плотности ленты по длине
- настройку технологических параметров ПИД-регулирования двигателем конвейера, границ производительности, интерфейса обмена данными с верхним уровнем АСУ ТП, работы разрыхлителя, границ допустимого проскальзывания ленты
- расчет текущей массы материала за счет обработки сигналов с тензометрических датчиков
- расчет текущей скорости и контроля проскальзывания ленты за счет обработки частотных сигналов с датчиков вращения ведущего и ведомого валов транспортера
- выполнение команд "пуск", "стоп", "наладка" и блокировки работы за счет дискретных входов
- управление разрыхлением и движением ленты за счет дискретных сигналов готовности, пуска и состояния работы разрыхлителя и привода конвейера
- управление скоростью движения ленты за счет аналогового токового сигнала управления (4-20 мА) на привод конвейера
- определение положения ленты на барабанах за счет сигналов с датчиков позиционирования
- дискретную индикацию состояний за счет дискретных сигналов: работы разрыхлителя и привода конвейера, готовности СД-01 к работе с верхним уровнем, аварии
- расчет текущей производительности материала за счет обработанных данных текущих значений массы материала и скорости движения ленты
Аппаратные возможности
СД-01 обеспечивает прием и обработку сигналов со следующими параметрами:
|
Параметр
|
Допустимые значения
|
|
Мин.
|
Ном.
|
Макс.
|
| Тензометрический канал измерения массы |
|
Количество, шт.
|
-
|
-
|
2
|
|
Сопротивление нагрузки (от 1 до 4 параллельно подключенных датчиков), Ом
|
95
|
380
|
-
|
|
Выходное напряжение для питания датчика, В
|
±5,7
|
±6,0
|
±6,3
|
| Дискретный вход |
|
Количество, шт.
|
-
|
-
|
19
|
|
Уровень логического нуля, В
|
0
|
-
|
6
|
|
Уровень логической единицы, В
|
12
|
-
|
30
|
|
Длительность сигнала, мс
|
50
|
-
|
-
|
| Дискретный выход |
|
Количество, шт.
|
-
|
-
|
8
|
|
Коммутируемое напряжение, В
|
8
|
-
|
30
|
|
Ток нагрузки, А
|
-
|
-
|
0,2
|
| Аналоговый выход |
|
Количество, шт.
|
-
|
-
|
2
|
|
Ток, мА
|
4
|
-
|
20
|
| Вход частотного сигнала |
|
Количество, шт.
|
-
|
-
|
2
|
|
Уровень логического нуля, В
|
0
|
-
|
4
|
|
Уровень логической единицы, В
|
8
|
-
|
30
|
|
Диапазон измеряемых частот, Гц
|
1
|
-
|
10000
|
Конструктивное исполнение
Конструктивно СД-01 выполняется в виде либо шкафа с размещенным в нем оборудованием, либо щита с оборудованием для установки в шкаф (реализованное решение - шкаф ЩКУД с тремя панелями СД-01 и расположенными на двери тремя блоками задания параметров БЗП-08 с устройствами управления).
На лицевую панель шкафа выведены органы управления режимами дозатора, устройство ввода параметров и индикации состояния процесса дозирования БЗП-08.
В зависимости от технологических требований Заказчика, система управления дозированием может изменяться, что отражается в соответствующей проектной документации.
Принцип управления дозатором
Принцип управления дозатором ленточным непрерывного действия основан на вычислении производительности P в текущий момент времени:

где Q - линейная плотность материала на ленте в текущий момент времени
V - показания скорости движения ленты в текущий момент времени
В гравиметрическом режиме дозирования поддерживается заданная пользователем производительность.
В зависимости от колебаний линейной плотности материала происходят отклонения текущей производительности от заданного значения. Для поддержания заданной производительности вводится корректировка скорости движения ленты.
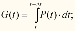
В объемнометрическом режиме дозирования поддерживается постоянная скорость движения ленты и происходит вычисление массы отгруженного материала G(t) по формуле:
где G(t) - масса отгруженного материала
Р(t) - текущая производительность
t - текущее время
Δt - время отгрузки
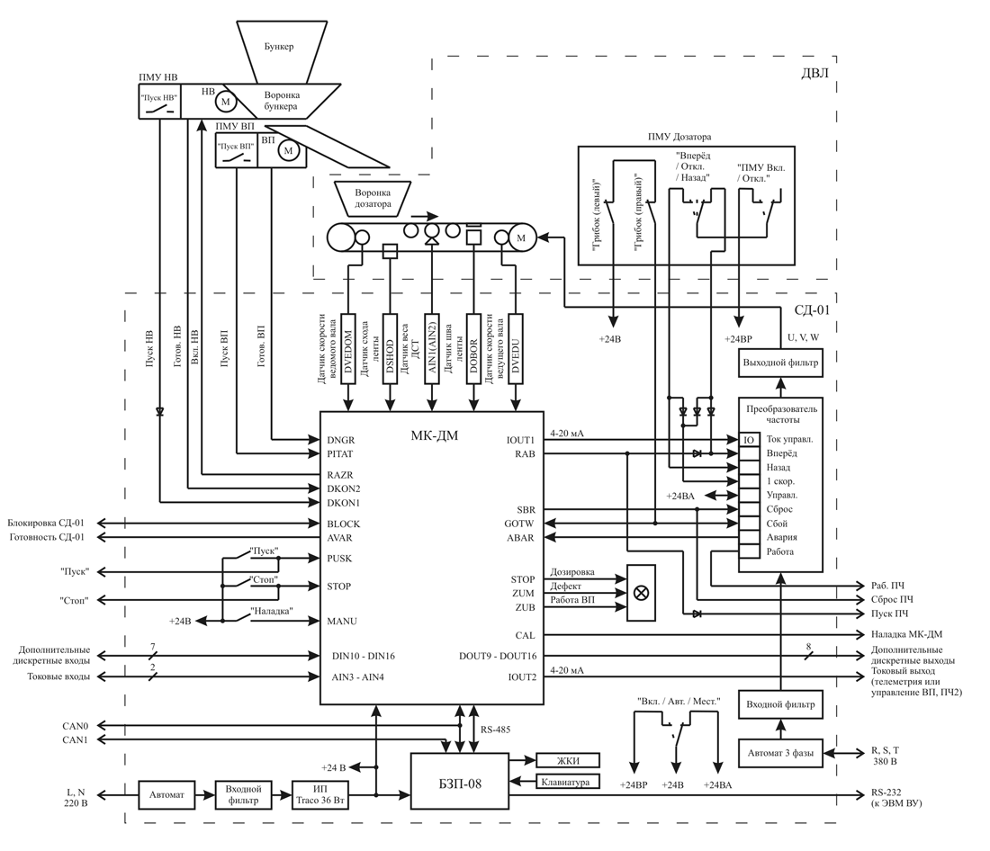
Состав системы СД-01
Структурная схема СД-01
Сертификаты и разрешения
В начало