Система управления СД-03 в составе дозатора весового дискретного действия предназначена для обеспечения отгрузки заданных порций сыпучих и жидких материалов с требуемыми метрологическими характеристиками.
Особенности работы
- управление и контроль работы питателя (с функцией "точного досыпа")
- управление и контроль работы затвора дозатора (механического, пневматического и т.д.)
- адаптивное управление виброобрушителями материала в накопительном бункере и бункере дозатора
Основные характеристики системы управления СД-03 в составе дозатора весового дискретного действия
|
Класс точности согласно ГОСТ 10223
|
0,5; 1
|
|
Напряжение питания однофазного переменного тока частотой 50±0,5, В
|
от 187 до 242
|
|
Потребляемая мощность, Вт, не более
|
50
|
|
Рабочий диапазон температуры окружающего воздуха, ºС
|
от +5 до +40
|
|
Пылевлагозащищенность (под заказ)
|
IP43 (IP65)
|
СД-03 обеспечивает в соответствии со встроенными алгоритмами следующие функции:
- обработку входных сигналов с силоизмерительных датчиков и формирование управляющих воздействий на электроприводы питателя, вибропобудителя бункера и затвора
- загрузку весового бункера в автоматическом режиме по команде с интерфейсной шины обмена данными до заданной дозы и формирование сигнала "Доза"
- разгрузку весового бункера в автоматическом режиме по команде с интерфейсной шины обмена данными и формирование сигнала "Разгрузка завершена"
- разгрузку и загрузку весового бункера в ручном режиме с помощью кнопок ЗАГРУЗИТЬ, ВЫГРУЗИТЬ, клавиш и индикатора БЗП-08
- выход на локальную вычислительную сеть АСУ ТП посредством интерфейсов связи RS-485, CAN 2/0 A/B (протокол обмена - Modbus RTU)
- передачу на ЭВМ ВУ информации о текущих значениях технологических параметров, их верхних, нижних границах, состоянии аварийной сигнализации и блокировок, данных об уставках блокировок и предельных границ технологических параметров
- энергонезависимое ведение календаря и учет времени суток
- восстановление данных при возобновлении электропитания после аварийного обесточивания
- управление от одного до восьми весовых дозаторов дискретного действия
Конструктивное исполнение
По требованию Заказчика СД-03 может быть представлена в шкафном либо щитовом исполнении. На переднюю панель устройства выведены органы управления и индикации данных процесса управления дозатором БЗП-08.
Эксплуатационные характеристики
|
Параметр
|
Допустимые значения
|
|
Мин.
|
Ном.
|
Макс.
|
| Параметры, обеспечиваемые в составе дозатора бункерного дискретного действия |
|
Наибольший предел производительности в зависимости от исполнения дозатора, т
|
0,1
|
-
|
630,0
|
|
Наименьший предел производительности относительно НПП, %
|
10
|
-
|
-
|
| Климатические параметры |
|
Атмосферное давление, кПа
|
84
|
-
|
107 |
|
Относительная влажность, %
|
30
|
-
|
80
|
| Параметры дискретных входов |
|
Уровень напряжения логического нуля, В
|
0
|
-
|
8
|
|
Уровень напряжения логической единицы, В
|
16
|
-
|
30
|
|
Длительность входного сигнала, мс
|
50
|
-
|
-
|
| Параметры дискретных выходов |
|
Коммутируемое напряжение, В
|
-
|
-
|
30
|
|
Ток нагрузки, А
|
-
|
-
|
0,5
|
| Параметры аналогового тензоизмерительного канала |
|
Сопротивление нагрузки (от 1 до 4 параллельно подключенных датчиков), Ом
|
95
|
380
|
-
|
|
Выходное напряжение для питания датчика, В
|
±5,7
|
±6,0
|
±6,3
|
| Параметры выходного аналогового сигнала |
|
|
|
|
Выходной ток, мА
|
4
|
-
|
20
|
Диаграмма работы дозатора весового дискретного действия
 |
|
где Р - величина массы в бункере, т.
|
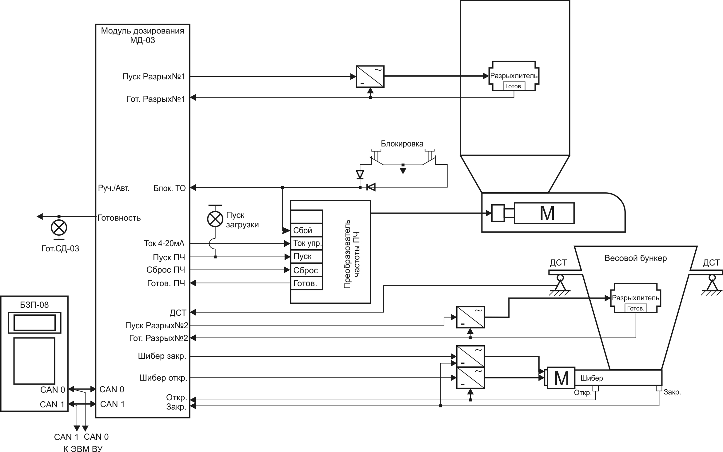
Состав системы СД-03
Структурная схема СД-03
Сертификаты и разрешения